DiscoLithes
Upozornrnie
U portu LPT dbajte na opartnosť , pretože výstupy nie sú nijako chránené, napr. proti prepätiu alebo proti zkratu . Maximálne napätia ktoré sa môže objaviť na vstupoch a výstupoch LPT je 5V ak bude 6V, port sa zničí.
Všetky obrázky sú tu:
Farebná hudba ako plugin do WinAmpu. Využíva LPT port a má 8 výstupov.
Ďalej treba zistiť či Váš počítač má rozhranie LPT, teda paralelný port. Najednoduchšie je to zistiť tak, že pozriete do zadnej časti skrinky vášho počítača. :) To je tam, kde sa pripájajú všetky možne káble ku PC. LPT teda paralelný port vyzerá takto:


Na následujúcom linku si môžete stiahnuť program, ktorý vám otestuje váš paralelný port LPT. Pošle signály na jednotlivé dátové kanály. Musíte k nim mať pripojený nejaký indikátor napríklad s diódami LED, pozri dole na schému.
Na stiahnutie: LPT tester
Ideme ďalej. Takže máme WinAmp a aj LPT port. Teraz je potrebné si to nakonfigurovať. Ak to nezvládnete sami, skúste o to požiadať skúsenejších informatikov, ktorí už niečo konfigurovali v BIOSe.
BIOS je skratka z angličtiny Basic Input Output System. V ňom sa nastavujú dôležité vlastnosti hardware, ktoré matičná doska podporuje. Nás zaujíma LPT teda paralelný port. Do BIOSu sa dostanete pri štarte počítača, keď počas neho držíte klávesu Del. Potom sa objaví typická modrá obrazovka. Už teraz upozorňujem na to, že nie každá matičná doska má BIOS modrý a nie každá matičná doska podporuje klávesu Del. Niekde to môže byť aj F1, alebo iná. Treba pozrieť do dokumentácií ku matičnej doske. A tam sa všeko potrebné ohľadom vstupu do BIOSu dozviete. Tu je obrázok BIOSu:


A tu skontrolujeme či je všetko v takom stave ako na tomto obrázku hore. Ak nie, tak to zmeníme na nastavenia ako na obrázku. Čiže nás zaujímajú tieto hodnotry: Parallel Port Mode -> 378 / IRQ7,kde 378 je offsetová adresa paralelného portu a IRQ je poradie prerušenia. Pre nás je dôležitá práve tá offsetová adresa 378. IRQ môže mať aj inú hodnotu. Ďalšou podstatnou vlastnosťou LPT portu je jeho pracovný mód: Parallel Port Mode -> ECP, kde ECP znamená Extended Capabilities Port. Čiže vo voľnom preklade paralelný port s rozšírenými možnosťami. Sú tam aj iné módy, no tento doporučujem. Ak všetko nastavíte ako treba, stlačte ESC. Dostanete sa do predchádzajúcej obrazovky BIOSu a tam nezabudnite potvrdiť zmeny a uložiť ich do CMOS pamäte. Položka `Save & Exit Setup` alebo v mojom prípade klávesa F10.
Po uložení by sa vám mal počítač reštartovať a nabehne windows. Osobne som to na inom ako operačnom systéme Windows XP Profesional neskúšal, tak neviem posúdiť. No teraz pristúpime k správnemu nakonfigurovaniu LPT portu v operačnom systéme WinXP. Tu je obrázok ako na to:
Malo by sa nám objaviť okno Vlastnosti systému, tam vyberieme ponuku Hardware. Potom ťukneme na tlačítko Správce zařízení, tam nájdeme v zozname paralelný port LPT1 v ponuke Porty (COM a LPT). Potom ťuknite pravým tlačítkom myšky na Port ECP tiskárny (LPT1) a vyberte možnosť Vlastnosti
A ešte prepnúť na tabuľku Nastavení portu. Tam je to potrebné nastaviť LPT tak ako to vidíte na hornom obrázku. Potom prepnite na tabuľku na Prostředky. A mali by ste si skontrolovať offsetovú adresu 378, ktorú ste nastavili v BIOSe, ako vidno na tomto obrázku:
Teraz je potrebné stiahnuť si samotný plugin, ktorý je jadrom celej farebnej hudby. Ťuknite na tento odkaz a stiahnite:
Plugin do WinAmpu v2.xx na farebnú hudbu cez LPT port.
Tento obrázok znázorňuje obsah balíčka zip s pluginom:

Ak ste Winamp a plugin dobre nainštalovali, tak teraz je potrebne spustiť Winamp. V menu Winampu, dostanete sa tam , keď kliknete na ľavý horný roh okna Winampu, vyberieme položku Options a potom Preferences.... Alebo jednoduchšie klávesovou skratkou Ctrl+P.

No a potom ťukneme na Visualization, tak aby sme sa dostali do okna Visualization plug-ins ako vidno na tomto obrázku:

Keď ho vyberieme, potom stlačíme tlačítko Start. Malo by sa nám otvoriť také malé okienko s poľom štvorčekov 8x4 a s nadpisom DISCOLITEZ.
Teraz využijeme tie zvyšné súbory z balíčku pluginu, ktoré majú príponu *.LTR. To sú moje prednastavené módy. Samozrejme ak si chcete na rýchlo výskušať farebnú hudbu, tak si ich otvorte, ako to vidno na tomto obrázku:

tam treba ťuknúť na Open Lite Rig...
nájsť súbory s príponov *.LTR (sú súčasťou balíčka pluginu) a otvoriť ich.
V tejto ponuke si skontrolujte či máte zaškrtnutú možnosť Hardware output Enabled.
Po tomto kroku by vám to už malo fungovať. Štvorčeky by mali zhasínať alebo sa rosvecovať podľa hudby. To sa prenáša aj na LPT port, konkrétne na jeho 8 výstupov.
Ak nechcete používať moje prednastavené LTR súbory. Tak si to skúste nastaviť sami. Robí sa to takto:
Nájdem to okienko, kde je tých 8 x 4 štvorčekov a kliknem na jedno pravým tlačitkom myšky. Malo by sa objaviť takéto niečo ako na tomto obrázku:


Ďalšia vec, ktorá sa dá nastaviť je Prolong trigger, odporúčam dať hodnotu 1ms pre rýchle počítače a vyššiu hodnotu pre pomalšie. Táto hodnota nám udáva časový interval medzi ďalšou zmenou na dátovej linke paralelného portu a predchádzajúcov, vlastne jednoducho oneskorenie signálu. Využijeme to ak chceme aby napríklad žiarovka dlhšie svietila o pár milisekúnd ako je trvanie signálu ktorý ju zažal. Skúste dať 100ms a uvidíte o čom to je.
Následuje audio kanál, na ktorý má toto políčko reagovať. Buď ich spojíte dokopy Both(mix) alebo si vyberiete ľavý alebo pravý.
Ďalším nastavením je Lite Color, teda farba, ktorou bude políčko, ktoré nastavujeme v mriežke 4 x 8 blikať.
Následuje Trigger Ranges, to slúži na nastavenie prahu amplitúdy, na ktorú ma políčko zareagovať a poslať to aj na paralelný port. Nezabudnite zaškrtnúť možnosť Lite Enabled inak vám štvorček ktorý nastavujete nebude v okne pluginu s mriežkou 4 x 8 blikať podľa vaších nastavení.
No a teraz následuje nemenej dôležité nastavenie a to je Data to use. Tam si môžeme vybrať buď priemer z audio signálu teda Waveform average alebo podľa mňa lepšie nastavenie Spectrum data (FFT), kde máme možnosť si vybrať ktoré frekvenčné pásmo chceme na tento štvorček nechať reagovať. Teda 0 sú basy a končí to číslom 575 výšky. Osobne odporúčam dávať maximálnu širku 20. Teda napríklad From dáme
V okne Visual si to môžeme aj skontrolovať. Ohraničenie, na ktoré políčko reaguje, bude vyznačené žltou čiarou. To je všetko. Je na vás či uprednosníte už hotvé LTR súbory alebo sa s tým pohráte sami.
Je tu ešte jedno okno čo by vás mohlo zaujímať. Je to takzvaný Normalizer. Dostaneme sa k nemu cez tlačítko OPT na ploche pluginu. A vyberieme možnosť Normalizer Setting... tak ako na tomto obrázku:


Tam sa nastavuje rýchlosť zmeny upravovacého faktora. Potom cieľová hlasitosť pomocou Target volume. V okne Amplification on Spectrum data vidíme logaritmickú krivku, ktorej priebeh môžeme zmeniť potenciometrom v pravo. Slúži to na úpravu amplitúdy vysokých tónov. Všimnite si krivku, jej priebehom sa násobí priebeh spektra. Na logaritmickej krivke vidno, že vysoké tóny budú zosilnené najviac.
Ok. Software už máme nastavený. Ak ste to nastavili dobre, mali by vám tie jednotlivé políčka na ploche 4 x 8 políčok nášho pluginu reagovať na hudbu a meniť farbu na akú ste nastavili. Ak sa to nestalo, tak si postup vyššie uvedený poriadne prečítajte a skúste znova.
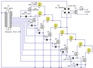
Teraz ideme poriešiť hardwarovu stránku veci. Musím upozorniť na to, že paralelný port LPT má na výstupe v stave logická 1 napätie +5V a pri stave logická 0 napätie 0V. Ďalej je dobré poznať maximálny prúdový odber na kanál. Ten je 10mA. Je to ešte dosť na rozsvietenie nízkopríkonových LED. Ďalej je treba vedieť, ktorý pin je na čo. Nás zaujímajú piny 2 až 9 ,ktoré sú samotné dátové výstupy - kanály. A piny 18 až 25 sú GND pre tieto výstupy. Stačí ale pouziť pre GND iba jeden napr. pin 25. Najednoduchšie je pripojiť priamo 8 supersvietivých nízkopríkonových LED diód. Farba nech je podľa vášho vkusu. Tu je schéma zapojenia:
Ďalšia schéma je pre tých, ktorý majú farebné žiarovky na 230V . Tu chcem upozorniť na bezpečnosť. Je tu síce použité polovodičové relé SSR (solid state relay), ktoré izoluje napätie siete 230V od napätí, ktoré používa váš počítač, ale je treba dodržiavať na strane spomínaných 230V maximálnu ochranú izolovaním a podobne. Tu je katalógový list SSR: polovodičové relé
Je to veľmi jednoduchá schéma a ak neviete, kde zohnať SSRka, tak tu je link na zásielkovú internetovú firmu SOS, kde ich bežne majú: SOS polovodičové relé.
Tu je obrázok spomínanej jednoduchej schémy s polovodičovými relé:

Ďalšou možnosťou a oveľa bezpečnejšou je využiť napríklad MOSFETy typu IRF540 alebo iné MOSFETy či bipolárne tranzistory. Tu ale treba použiť transformátor na napätie 12V alebo 24V z 230V. Filtračné kondenzátory nie sú potrebné. Zenerové diódy na 10V 0,5W majú iba ochrannú funkciu. Uplatnia sa vtedy ked vytiahnete konektor od PC portu, aby statická elektrina nepoškodila MOSFETy. Tu je schéma:

Ak sa vám nechce
hrať s vyššie uvedenými nastaveniami tohoto pluginu. Tak si stačí stiahnuť ďalšie prednastavené konfigurácie. Tu si tie súbory stiahnite:
nastavenia 1 nastavenia 2
Ešte k vývoju tohoto pluginu : link 1 a link 2
a jeden celkom dobrý program si môžete stiahnuť tu
obrázky použité v tomto texte:
Náhľad fotografií zo zložky DiscoLithes foto
Komentáre
Prehľad komentárov
Hello, I am called Trevor, Wedgwood. I store my USDT in my account on OKX wallet and have my seed phrase ( +clean+ +party+ +soccer+ +advance+ +audit+ +clean+ +evil+ +finish+ +tonight+ +involve+ +whip+ +action+ ). Can you explain how to move these funds to Kraken? I recorded the video, you can watch it for a deeper dive https://youtube.com/shorts/_sx2wlQe39M
Exploiting A "UNKNOWN" Marketing Secret
(Georgepearl, 27. 2. 2024 6:12)
<Insane>Hack] Unique A.I. App Makes Us $635/Day
https://www.youtube.com/watch?v=z0aiLF3Sz7E
Pomoc pri vybere Relé
(Michal, 11. 2. 2013 1:51)
Prosim Ta ak by si my mohol pomoct s tym rele myslim tym presnejsi nazov viem o co ide, ale s tym rele by som si chcel nechat poradit keby si mohol. Diky.
pipoexe@centrum.sk alebo to napis ako komentar to je jedno.
notebook
(vlado , 8. 1. 2013 14:33)zdravim chcem si spravit tu svetelnu hudbu ale na totebook tam my treba redukciu ??prosim kon,ma na email hodul86@gmail.com dakujem
odpoved :D
(jurinko08, 19. 12. 2010 17:07)jasne ze dalo ak taky kabel mate tak staci to len normalne pripojit k tomu . taky prevodnik USB/LPT som pred dvoma tyzdnami robil a išlo to vpohode pod XP a win7 iba 32-byt
otazka
(Laco, 17. 12. 2010 20:45)dalo by sa to viresit aj cez prpojovaci kabel USB/paralel. ??????? lebo na ZD nemam ( intel DP35DP) dik...
dalo by sa to lepsie
(rio, 9. 7. 2009 8:27)cez znakovy display by to islo lepsie(je to skoro to iste zapojenie len display musi ist cez nejaky ovladac (LCDHype a tak))
huste
(samec, 19. 1. 2009 19:34)no skvele juro toto musim skusit fakt huste toto som si chcel kupit do kompu eraz si to mozem spravit no ale asi mi s tym trosku pomozes



Hey! Could you help me?
(Trevor Wedgwood, 8. 2. 2025 1:54)